ГОСТ 25912-2015 — это основной действующий нормативный документ, который регламентирует производство предварительно напряжённых железобетонных плит для аэродромных покрытий (ПАГ). Он пришел на смену устаревшему стандарту 1991 года и ужесточил требования к материалам и геометрии.
Для заказчика знание этого ГОСТа — гарантия того, что он приобретает изделие, способное выдержать экстремальные нагрузки от авиатехники, работу в условиях вечной мерзлоты и интенсивный трафик тяжелого транспорта.
Несмотря на название «аэродромные», область применения этих плит выходит далеко за пределы взлетно-посадочных полос. Благодаря высокой прочности и трещиностойкости, ПАГ-14 и ПАГ-18 массово используются для:
строительства временных и постоянных дорог под тяжелую спецтехнику;
обустройства площадок логистических терминалов и портов;
установки башенных кранов и промышленного оборудования.
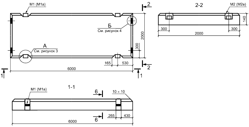
Согласно ГОСТ, все плиты имеют единый стандарт габаритов в плане — 6000×2000 мм. Различаются они только толщиной (которая зашифрована в названии) и схемой армирования.


Для проектирования и логистики важно знать точный вес изделий. Мы свели основные данные из стандарта в удобную таблицу.
Таблица справочного веса и размеров (по ГОСТ 25912-2015)
Марка плиты | Толщина, мм | Класс бетона (Btb)* | Объем бетона на плиту, м³ | Масса (вес), т |
ПАГ-14 | 140 | 4,0 | 1,68 | 4,20 |
ПАГ-18 | 180 | 4,0 | 2,16 | 5,40 |
ПАГ-20 | 200 | 4,0 | 2,40 | 6,00 |
*Btb — прочность на растяжение при изгибе (МПа).
Маркировка плит также содержит информацию о классе напрягаемой арматуры. Например, ПАГ-14А800.1 означает, что используется сталь класса А800, а плита имеет стандартные закладные детали. Существуют и облегченные версии с арматурой А600 (например, ПАГ-18А600), которые подходят для менее нагруженных участков.
Долговечность аэродромной плиты зависит от двух факторов: качества бетона и соблюдения технологии натяжения арматуры.
Бетон. ГОСТ требует использовать тяжелый бетон (не ниже класса В30 по прочности на сжатие). Но главный параметр здесь — работа на изгиб. Для ПАГ-14 этот показатель должен быть не ниже 4,0 МПа, а для ПАГ-20 — не ниже 4,8 МПа.
Арматура. Используется стержневая сталь (А800, А600) или арматурные канаты (К7). Важный нюанс: напрягаемая арматура должна быть цельной, без стыков и сварки по длине стержня.
В тексте ГОСТ 25912-2015 прописаны жесткие требования к температурным режимам.
Скорость нагрева бетонной смеси не должна превышать 15 °С в час.
Перепад температур между формой и бетонной смесью — не более 20 °С.
Если завод нарушает эти режимы ради ускорения оборота форм, в бетоне возникают микротрещины. Визуально такая плита может выглядеть нормально, но под нагрузкой она разрушится гораздо быстрее нормативного срока.
Ровность аэродромного покрытия критически важна для безопасности взлета и посадки. Поэтому стандарт вводит строгие допуски (Таблица 1 ГОСТа), которые обязан соблюдать производитель.
Критерии приемки по геометрии:
Толщина: отклонение не более ±5 мм.
Длина: ±8 мм (для ПАГ-14) и ±10 мм (для ПАГ-18/20).
Защитный слой бетона: отклонение не более ±5 мм.
Плоскостность: поверхность не должна иметь "волн" более 5 мм.
Важно о трещинах:
ГОСТ (п. 5.9.1) категорически запрещает трещины на рабочей поверхности. Единственное исключение — поверхностные усадочные микротрещины шириной не более 0,1 мм. Любые силовые трещины являются основанием для отбраковки партии.
Плиты соединяются между собой путем сварки закладных деталей. Форма этих элементов (М1, М2 и др.) строго стандартизирована чертежами приложения Б к ГОСТу. Это обеспечивает универсальность: плиты от разных добросовестных производителей должны идеально стыковаться друг с другом.
Для инженеров, проектировщиков и специалистов технадзора мы подготовили полную версию документа в формате PDF. Файл содержит все необходимые чертежи, схемы армирования и таблицы, на которые мы ссылались в статье.
Если вы ищете продукцию, которая строго соответствует описанным выше требованиям, ознакомьтесь с предложениями в нашем каталоге.
Мы поставляем плиты ПАГ-14, ПАГ-18 и ПАГ-20, гарантируя:
Соблюдение ГОСТ: Используем бетон проектной прочности и соблюдаем режимы термообработки.
Точную геометрию: Работаем на качественных металлоформах, что упрощает стыковку плит на объекте.
Полный пакет документов: Предоставляем паспорта качества на каждую партию.